We got together in Afonso’s basement! And also met with a former professor of ours

May 25th, 2025 3min and 07s read time
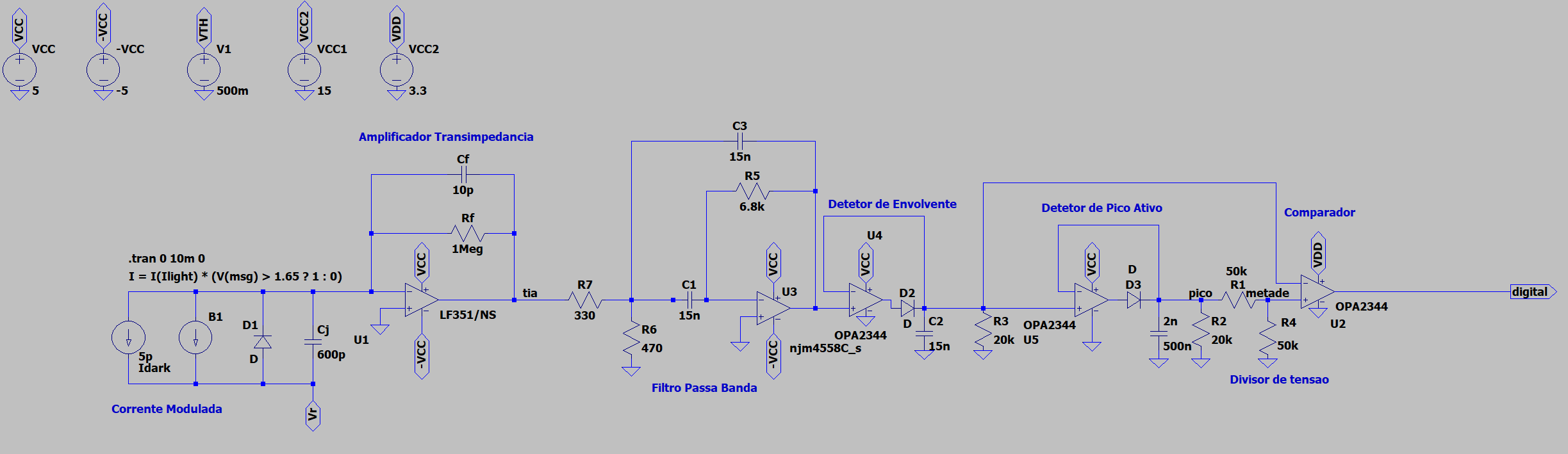
Figure 1 - Circuit Simulated in LTSpice

Source: Own Image

Figure 1 - Circuit Simulated in LTSpice

Summary

This week was quite busy, actually! Well, for one, we met in person to work on the prototype for the first time, given the late arrival of the material and the fact that we all don’t really live close to each other. On the other hand, on that same meeting, we ran into some obstacles and decided to contact a former electronics professor of ours, who kindly accepted our request for help and gave us some incredibly useful advice. After receiving some very helpful advice, some of us got together again during the rest of the week to implement the suggested changes. Quite a wild week!

Meeting in Afonso’s basement

With the expression “We got together in Afonso’s basement!”, we meant that we all went to Afonso’s house to work on the prototype. However, we immediately ran into some problems with the circuit. Having already appropriately set up the transmission part of the device, it so happened that the light emitted by the LED wasn’t strong enough to be recognized by the receiver - this is alarming because the detection of the signal is practically everything about the project! The signal wasn’t detected with neither the green nor the blue LED, but was quite sensitive with the ambient light.

We ended up trying several different circuits, but, to no avail, didn’t progress much. So, we decided to contact a former professor of ours, specialized in electronics.

Help from a professor

After emailing the professor, we met in their office. After quickly briefing them about our ideas and the difficulties we were having, the teacher immediately started asking us questions and giving advice.

First of all, they advised us not on the circuit, but on the way we are sending the signal - as a quick way of reminding the reader, we were sending the signal through a carrier signal modulated with NRZ-OOK. Their suggestions were increasing the frequency of the carrier signal, as well as advising us to reconsider the selected code.

Now, about our difficulty in regards to the hardware part, a lot of adjustments were made. About the emitting LED, it simply wasn’t strong enough to be detected, so we were told that we needed to use larger ones, which we already have at our disposal - either that, or we could alternatively resort to phototransistors, which is a path we don’t really want to pursue. Beyond this change, the biggest contribution we got from the meeting was about how to connect everything to the circuit entry, how to assemble all of the different parts and how to layout the different amplifier stages.

The meeting was conducted by the whole team.

Even more progress

As was said, the team met again on the weekend to keep working on the prototype. For now, having already designed the circuit we intend on using, we are still testing the circuits in different ways, in order to uncover some equipment limitations and so on. Our big idea consists in amplifying the signal to, then, send it through a comparator to obtain the modulated message waveform, perfectly straight.

We start by amplifying the signal with a TIA (Trans-Impedance Amplifier), followed by a buffer. Then, we enter the signal treatment phase, where the buffer’s output signal is divided between one that goes straight to the positive input of a comparator and another one that goes through an active peak detector followed by a resistive divider, towards the negative input of the comparator. This device, which is not really a comparator, but an OpAmp (we don’t really need a comparator because we are sticking with low voltages and we needn’t worry about the slew-rate), ends up “drawing” a perfectly rectangular wave, to serve as the modulated message. Another thing worth mentioning is that the peak detector (envelope filter), comprised of an OpAmp with positive feedback, a diode, a capacitor and a (large) resistor, is set up this way, i.e., is active, in order to avoid a hefty voltage drop due to the diode, and keep the output as “clean” as possible.

Conclusion

This was quite a busy week, but we did manage to progress a lot, much thanks to the advice we got in our meeting with the professor. The next couple of weeks seem quite exciting, so stay tuned. Bye!